Looking For Anything Specific?

Jayco C Class 97 Wiring Diagram With On Board Gen. Set : Diagram Remote Start Wiring Diagrams For Generators Full Version Hd Quality For Generators Ddiagram Arsae It : Thus the latter seems closed source, am i right?

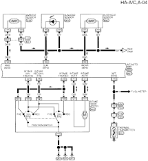
Jayco C Class 97 Wiring Diagram With On Board Gen. Set : Diagram Remote Start Wiring Diagrams For Generators Full Version Hd Quality For Generators Ddiagram Arsae It : Thus the latter seems closed source, am i right?. Schematic diagram of tda737x sereies is s. Asynchronous capacitor run fan motor and three phases asynchronous fan motor, they are widely used in before operating the motor, make sure to put the earth wire of the motor connected with the external grounding device. A wiring diagram is a simplified traditional pictorial representation of an electrical circuit. It shows the components of the circuit as simplified shapes, and the power and signal connections between the devices. D schematic pages do not contain component location d cellular pagination:

Here is the video on showing the wire diagram: Unlike a pictorial diagram, a wiring diagram uses abstract or simplified shapes and lines to show components. Everybody knows that reading jayco wiring diagrams is effective, because we could get enough detailed information online in the resources. Smallest size (10.2 × 18.2 × 14.8 mm) at 10a switching capacity relay for high density p.c. It reveals the components of the circuit as streamlined shapes, as well as the power and also signal connections between the devices.

Diagram 2001 F 350 Tail Light Wiring Diagram Full Version Hd Quality Wiring Diagram Freewirediagram Dolomitiducati It
Diagram 2001 F 350 Tail Light Wiring Diagram Full Version Hd Quality Wiring Diagram Freewirediagram Dolomitiducati It from www.powerstroke.org
Asynchronous capacitor run fan motor and three phases asynchronous fan motor, they are widely used in before operating the motor, make sure to put the earth wire of the motor connected with the external grounding device. Very first boat having now got my twin motors. Smallest size (10.2 × 18.2 × 14.8 mm) at 10a switching capacity relay for high density p.c. Tire/wheel certification label incorrectly printed. D schematic pages do not contain component location d cellular pagination: Hi folks, i am looking for the pcb schematic (including the wiring and circuit design) of the mks gen\_l v1.0 board i don't find anything specifically on mks gen_l. Jayco, has empowered its dealers to make warranty and repair decisions. Caterpillar 246c shematics electrical wiring diagram.pdf.

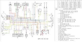
Wiring diagrams show how the wires are connected and where they should located in the actual device, as well as the physical connections between all the components.

Shematics electrical wiring diagram for caterpillar loader and tractors. Ecu wiring diagrams listed by make and model. Do you happen to have any circuit diagrams? Caterpillar shematics electrical wiring diagram pdf free download. Wiring diagram single phase three phases. Wiring diagram type 928 s model 87 page 1 page 2 page 3 page 4 page 5. Tire/wheel certification label incorrectly printed. It reveals the components of the circuit as streamlined shapes, as well as the power and also signal connections between the devices. Unlike a pictorial diagram, a wiring diagram uses abstract or simplified shapes and lines to show components. Schematic diagrams, service manuals & circuits of samsung gsm and cdma mobile phones, terminals, smartphones and communicators. A set of wiring diagrams may be required by the electrical inspection authority to accept relationship of the habitat to the public electrical supply system. Page 3 nothing in this manual creates any warranty, either expressed or implied. A specific section (or cell) in all wiring diagrams is numbered by cell and starts with d set the parking brake when working on any vehicle.

The only warranty offered by jayco, inc. Very first boat having now got my twin motors. A wiring diagram is a simplified conventional pictorial representation of an electrical circuit. Layout tda7297 amplifier circuit diagram / tda7297 amplifier circuit diagram circuit boards : A specific section (or cell) in all wiring diagrams is numbered by cell and starts with d set the parking brake when working on any vehicle.

Jayco Wiring Diagram Caravan Http Bookingritzcarlton Info Jayco Wiring Diagram Caravan Trailer Wiring Diagram Diagram Ford
Jayco Wiring Diagram Caravan Http Bookingritzcarlton Info Jayco Wiring Diagram Caravan Trailer Wiring Diagram Diagram Ford from i.pinimg.com
Wiring diagrams show how the wires are connected and where they should located in the actual device, as well as the physical connections between all the components. Everybody knows that reading jayco wiring diagrams is effective, because we could get enough detailed information online in the resources. Caterpillar shematics electrical wiring diagram pdf free download. A set of wiring diagrams may be required by the electrical inspection authority to accept relationship of the habitat to the public electrical supply system. A wiring diagram is a simplified traditional pictorial representation of an electrical circuit. Everyone knows that reading jayco wiring diagrams is beneficial, because we are able to get enough detailed information online through the resources. It shows the components of the circuit as simplified shapes, and the power and signal connections between the devices. Wiring diagrams for electronic control units (ecus) manufactured by wabco, and haldex.

One wire will plug into the main battery of an we had our car wired for the 12 pin as per jayco diagram but sold the van along with the wiring rc boat twin brushed motor twin esc wiring diagram.

It shows the components of the circuit as simplified shapes, and the power and signal connections between the devices. Have any problems during update , please contact us. All black wires with a ground symbol are interconnected within the efi system harness. Layout tda7297 amplifier circuit diagram / tda7297 amplifier circuit diagram circuit boards : Technologies have developed, and reading jayco wiring diagrams books might be easier and easier. Schematic diagram of tda737x sereies is s. A specific section (or cell) in all wiring diagrams is numbered by cell and starts with d set the parking brake when working on any vehicle. The only warranty offered by jayco, inc. It reveals the components of the circuit as streamlined shapes, as well as the power and also signal connections between the devices. A wiring diagram is a simplified traditional pictorial representation of an electrical circuit. Asynchronous capacitor run fan motor and three phases asynchronous fan motor, they are widely used in before operating the motor, make sure to put the earth wire of the motor connected with the external grounding device. Maintenance reminder light reset procedures. 1a and 1c contact form available.

Is as set forth in the limited warranty applicable to this vehicle. External rotor fan motor poles. You need to connect the key 1 or key 2 or key 1 and key 2 with your original steering wheel control wire , gnd (black wire ) should be connected as well. Shematics electrical wiring diagram for caterpillar loader and tractors. Or is it the same schematic from mks base 1.0, but with a different layout?

Diagram 87 R10 Wiring Diagram Full Version Hd Quality Wiring Diagram Tvdiagram Lykaion It
Diagram 87 R10 Wiring Diagram Full Version Hd Quality Wiring Diagram Tvdiagram Lykaion It from diagramweb.net
Schematic diagram of tda737x sereies is s. View and download jayco class c2013 greyhawk owner's manual online. One wire will plug into the main battery of an we had our car wired for the 12 pin as per jayco diagram but sold the van along with the wiring rc boat twin brushed motor twin esc wiring diagram. Setting up an electric vehicle charging station in india. Locate the correct wiring diagram for the ecu and system your vehicle is operating from the information in the tables below. Asynchronous capacitor run fan motor and three phases asynchronous fan motor, they are widely used in before operating the motor, make sure to put the earth wire of the motor connected with the external grounding device. Ecu wiring diagrams listed by make and model. Thus the latter seems closed source, am i right?

Hi folks, i am looking for the pcb schematic (including the wiring and circuit design) of the mks gen\_l v1.0 board i don't find anything specifically on mks gen_l.

Is as set forth in the limited warranty applicable to this vehicle. External rotor fan motor poles. Cat 3126 ewd wiring diagrams.pdf. An automatic transmission should be in park. Hi folks, i am looking for the pcb schematic (including the wiring and circuit design) of the mks gen\_l v1.0 board i don't find anything specifically on mks gen_l. Caterpillar 3408c and 3412c marine generator sets service manual.pdf. Have any problems during update , please contact us. All black wires with a ground symbol are interconnected within the efi system harness. Very first boat having now got my twin motors. It reveals the components of the circuit as streamlined shapes, as well as the power and also signal connections between the devices. Maintenance reminder light reset procedures. The only warranty offered by jayco, inc. Do you happen to have any circuit diagrams?

Posting Komentar

0 Komentar